Enzklösterle, Rußhütte
ID:
221219399230
/
Datum:
19.03.2007
Datenbestand: Bauforschung
Datenbestand: Bauforschung
Objektdaten
| Straße: | Köhlerweg |
| Hausnummer: | 4/1 |
| Postleitzahl: | 75337 |
| Stadt-Teilort: | Enzklösterle |
|
|
|
| Regierungsbezirk: | Karlsruhe |
| Kreis: | Calw (Landkreis) |
| Wohnplatzschlüssel: | 8235025001 |
| Flurstücknummer: | keine |
| Historischer Straßenname: | keiner |
| Historische Gebäudenummer: | keine |
| Lage des Wohnplatzes: |
|
Kartenansicht (OpenStreetMaps)
Durch Ihre Cookie-Auswahl haben Sie die Kartenansicht deaktiviert, die eigentlich hier angezeigt werden würde. Wenn Sie die Kartenansicht nutzen möchten, passen Sie bitte Ihre Cookie-Einstellungen unter Impressum & Datenschutzerklärung an.
Bauphasen
Kurzbeschreibung der Bau-/Objektgeschichte bzw. Baugestaltungs- und Restaurierungsphasen:
Eine dendrochronologische Untersuchung erbrachte ein Baujahr der Rußhütte für 1828/29. Nach einem Brand erfolgte die Umnutzung zum Stall und Lagerraum.1993 konnte sie wieder rekonstruiert werden. Es handelt sich um die einzige erhaltene Anlage dieser Art.
1. Bauphase:
(1828 - 1829)
(1828 - 1829)
Errichtung der Rußhütte (d, Winterfällung 1828/29).
Betroffene Gebäudeteile:
keine
Bauwerkstyp:
- Gewerbe- und Industriebauten
- Rußhütte
2. Bauphase:
(1993)
(1993)
Rekonstruktion des Gebäudes in den originalen Zustand (a).
Betroffene Gebäudeteile:
keine
Zugeordnete Dokumentationen
- Erforschung und Restaurierung
Beschreibung
Umgebung, Lage:
Das Gebäude, die ehemalige Rußhütte, steht solitär am Köhlerweg. In unmittelbarer Nähe befindet sich der Frey-Bauernhof.
Lagedetail:
- Einzellage
- allgemein
Bauwerkstyp:
- Gewerbe- und Industriebauten
- Rußhütte
Baukörper/Objektform (Kurzbeschreibung):
Das eingeschossige Gebäude wurde nach einem Brand umgebaut. Es bekam ein Satteldach mit Falzziegeldeckung. Im nördlichen Bereich wurden die Umfassungsmauern mit Hilfe einer Kniestockkonstruktion aufgestockt.
Innerer Aufbau/Grundriss/
Zonierung:
Zonierung:
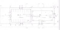
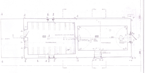
Der Grundriss war ursprünglich zweigeteilt. In dem 6,6m auf 4,5m großen, ehemaligen Brennraum stand der Rußbrennofen. Dieser wurde vermutlich beim Umbau abgerissen. In der Trennwand zum anschließenden südlichen Raum war eine Maueröffnung, die als Durchzug für den im Brennofen produzierten Rauch diente. Im Scheitelpunkt dieses gewölbten Raumes befand sich eine Öffnung zum darüber liegenden Dachraum. Hier wurde der Ruß in einem Sack aufgefangen.
Vorgefundener Zustand (z.B. Schäden, Vorzustand):
keine Angaben
Bestand/Ausstattung:
keine Angaben
Konstruktionen
Konstruktionsdetail:
- Steinbau Mauerwerk
- Bruchstein
- Dachform
- Satteldach, einhüftig/Frackdach
- Dachgerüst Grundsystem
- Balkendach mit Firstständer
- Detail (Ausstattung)
- bemerkenswerte Feuerstätten
Konstruktion/Material:
Auf den massiv aus Sandsteinblöcken gemauerten Außenwänden ist ein Satteldach abgezimmert. Der südliche Raum, als Rußauffangraum bezeichnet; ist mit einem Tonnengewölbe überwölbt.


